Deye BOS-G-PDU-2 - BMS controllbox pro sestavy BOS-G Pro, HV
Kód: 429.04
Skvělé ceny
pro registrované odběratele

Individuální přístup
vyjdeme Vám vstříc

Rychlé doručení
sklad v Brně

Podpora odběratelů
technická, obchodní, marketingová
Detailní popis produktu
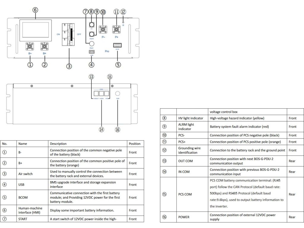
Vlastnosti BMS Deye BOS-G-PDU-2:
- Provozní napětí 200 až 1000 VDC
- Nabíjecí a vybíjecí proud 100 A
- Maximální nabíjecí a vybíjecí proud 120 A
- Rozhraní: displej, USB, BCOM (RS-485), 3x COM port, 2x baterie, 2x vstup/výstup k měniči, jističe, 12 V DC napájecí vstup
- Standardní rychlá instalace do racku
- Flexibilní konfigurace - více bateriových modulů může být paralelně pro rozšíření kapacity a výkonu. Podpora USB upgrade, Wi-Fi upgrade (volitelně), vzdálený upgrade (kompatibilní s DEYE invertory).
Doplňkové parametry
| Kategorie: | High voltage |
|---|---|
| Záruka: | 10 let |
| Hmotnost: | 19 kg |
| značka: | Deye |
Diskuze
Buďte první, kdo napíše příspěvek k této položce.
